데이터베이스 팀 프로젝트 - 도서 통합관리 시스템 DB 구축
학교에서 6인으로 진행한 공공도서관 데이터베이스 구축 프로젝트의 최종 결과 보고서와 느낀점을 정리한 포스트입니다.
개요
학교에서 6인으로 진행한 공공도서관 통합 도서관리 시스템의 데이터베이스 구축 프로젝트의 최종 결과 보고서와 느낀점을 정리한 포스트입니다. \n 저는 보고서 작성, 트랜잭션 모델링 QA 및 피드백, 개발 도움을 주었습니다.
목차
프로젝트 개요서
과제 개요 본 과제는 ‘은평 꿈샘 작은 도서관’ 같은 공공도서관의 도서 대출/연체/반납/신규 서적 등록과 같은 도서관의 통합 도서 관리시스템의 개발을 목표로 한다. 시스템의 기본 틀은 ‘은평 꿈샘 작은 도서관’의 기본적인 업무와 작은 도서관에서 사용하는 자료관리 시스템인 KOLASYS- NET 3.0을 분셕해 이를 바탕으로 설계한다. 단순히 도서 대출/연체/반납에 관한 기능 뿐 아니라 대출/반납 등을 신청한 회원들의 관리 기능을 포함한 도서관의 전체적인 도서 관리 시스템 개발을 목표로 한다.
개발대상 소개 은평 꿈샘 작은 도서관과 같은 작은 도서관은 주민의 참여와 자치를 기반으로 지역사회의 생활 친화적 도서관문화의 향상을 주된 목적으로 하는 도서관이다. KOLASYS-NET3.0은 전국 작은 도서관 1,667개에서 사용되고있는 도서 관리 시스템으로 운영환경이 열악한 소규모 도서관을 지원하기 위해 개발된 도서자료관리 프로그램으로 별도의 설치작업 없이 인터넷으로 활용이 가능하며 도서자료 등록 및 대출/반납 등 도서 관리를 지원한다.
시스템 개발의 필요성 현재 도서관은 많은 자료를 다룰 뿐만 아니라 능동적인 도서 활동을 추구하고 있는 추세이다. 이에 따라 도서관은 많은 자료를 효과적으로 처리해야할 뿐아니라 능동적인 도서 활동을 위해 통계 데이터를 분석하는 등 데이터베이스를 체계적으로 구축해야할 필요가 있다. 이 시스템의 목표는 도서 대출, 반납과 같은 기본적인 기능을 전산화하여 체계적으로 구현하고 통계, 추천등 다양한 가공 데이터를 추출할 수 있는 데이터 기반을 제공함으로써 사용자들의 편의성 증대와 경쟁력 강화를 기대할 수 있다.
- 시스템 구축 범위 및 내용
- 현재 은평 꿈샘 작은도서관의 도서 업무와 작은도서관 자료관리 시스템인 KOLASYS- NET 시스템 분석
- 단행자료 관리로 범위 제한
- 소장 장서 정리 및 관리 시스템 구현
- 기본적인 도서 관리 업무 구현(대출/반납)
- 빠른 통계 정보 확보를 위한 통계 검색 기능 구현
- 신규도서 등록 구현(도서구입 및 기증)
- 도서관 관리자/회원/기증자 관리 시스템 구축
- 연체자 관리 기능 구현
- 도서 예약 및 예약 자료 대출 기능 구현
- 희망도서 신청 및 처리 전산화 기능 구현
- 프로젝트 추진체계
![프로젝트 추진체계]()
- 개인정보를 이유로 제 이름을 제외한 다른 사람들의 이름은 지웠습니다.
업무 기능도
등록 시스템
![등록 시스템 - 업무 기능도]()
대출/반납 시스템
![대출/반납 시스템 - 업무 기능도]()
통계 및 관리 시스템
![통계 및 관리 시스템 - 업무 기능도]()
단위업무 기술서
- 도서 등록 시스템
- 등록자료 관리
목적: 공공도서관에 들어온 자료를 처음으로 등록하여 관리한다.
- 프로세스
- 각 도서는 관리를 위해서 등록구분(영문2자리)+숫자10자리로 이루어진 등록번호를 부여받는다.
- 등록번호는 자료등록시 자동으로 부여된다.
- 원부번호는 등록번호가 부여됨과 동시에 순차적인 일련번호로 자동부여된다.
- 한 도서가 가지는 정보는 등록번호, 원부번호, 기증자ID(선택), ISBN, 제목, 저자, 출판사, 출판연도, 청구기호, 이용제한, 가격, 자료상태, 매체구분, 형식구분, 등록구분, 등록일자이다.
- 도서자료를 등록할 때는 등록번호, 원부번호, ISBN, 자료상태, 등록일자는 필수로 들어가야한다.
- 청구기호의 경우 KDC와 이재철5표를 이용하여 작성하며 총분류(KDC) + 저자성 + 저자 기호(리재철5표) + 책의 첫 번째 자음으로 구성된다.
- 복사본이 있는 경우 c.2, c.3과 같이 표기하고 시리즈가 있는 경우 v1, v2로 표기한다.
- 예시)사이토 고키 밑바닥부터 시작하는 딥러닝2 -> 004 사15ㅁv.2 c.2
- 등록자료의 검색은 입수구분, 자료상태, 기증자id, 등록년도, 원부년도, 원부번호, 등록번호(범위), 제목, 저자, 출판사, 주제별(청구기호의 가장 앞자리 숫자 1자리), 등록일자로 검색이 가능하다.
- 자료상태가 배가자료이거나 대출자료인 경우 이용제한과 자료상태만 수정 가능하다.
- 등록자료, 열람인계자료인 경우 등록번호, 가격을 제외한 입력정보 모두 수정가능하다.
- 삭제시 입력된 모든 정보는 데이터베이스에서 삭제된다.
- 삭제는 자료상태가 등록자료인 경우에만 삭제가 가능하다.
- 열람인계 상태변경은 입력가능한 모든 정보가 입력된 상태일 때만 가능하다.
- 노트
이용제한: 1.CA 특수, 2.CD 열람제한, 3.CL 사서제한, 4.DL 제적자료, 5.GM 일반, 6.IZ 귀중자료, 7.RM 참고자료 이용제한구분이 CL 사서제한인 경우 이용자는 해당 도서를 대출, 검색할 수 없다. 이용제한구분이 CD 열람제한인 경우 이용자는 해당 도서를 대출할 수 없다. - 자료상태: 1.등록자료(등록번호가 부여된 자료), 2.열람인계자료(배가가 가능한 자료), 3. 배가자료 4. 대출상태자료
매체구분: 1.KA 점자자료, 2.MS 필사자료(책자형), 3.PR 인쇄자료(책자형) 형식구분: 1.BK 문자자료, 2.CR 계속자료, 3.ER 전자자료, 4.MP 지도, 5.MU 녹음자료, 6.MX 복합자료, 7.RB 고서, 8.VM 시청작자료 - 등록구분: 1.SE:동양서, 2.WE:서양서, 3.OE:고서, 4.NE:비도서자료, 5.KE: 국내서
- 입력사항
- 등록번호, 원부번호, 기증자ID(선택), ISBN, 제목, 저자, 출판사, 출판연도, 청구기호, 이용제한, 가격, 자료상태, 매체구분, 형식구분, 등록구분, 등록일자
- 출력사항
- 등록번호, 원부번호, 기증자ID, ISBN, 제목, 저자, 출판사, 출판연도, 청구기호, 이용제한, 가격, 자료상태, 매체구분, 형식구분, 등록구분, 등록일자
- 원부대장 관리
목적: 등록원부정보관리와 등록원부와 연결된 도서데이터들을 검색한다.
- 프로세스
- 원부번호는 원부년도(숫자4자리)+원부번호(일련번호)로 이루어진다. (예시: 2018-1, 2019-13)
- 원부번호는 등록자료에서 자료를 등록할 때 자동으로 입력된다.
- 원부와 연결된 도서데이터는 원부번호를 이용하여 검색할 수 있다.
- 등록원부 검색은 원부년도, 원부번호, 작업자, 인계일자(범위)로 검색이 가능하다
- 등록원부 수정은 등록원부 검색을 통해 나온 대상에 대해서만 수정이 가능하며 공급자, 작업자, 인계일자만 수정이 가능하다.
- 도서의 원부번호 변경은 등록원부에서 도서를 검색한 후 수정이 가능하다.
- 등록원부삭제시에는 검색을 통해 나온 등록원부만 삭제가 가능하며, 등록원부와 연결된 도서 데이터가 존재하지 않을 시 삭제가 가능하다.
- 등록원부 입력은 존재하지 않는 원부 번호에 대해서만 생성이 가능하다.
- 작업자는 등록작업시 자동으로 접속한 계정 내용으로 입력된다.
- 노트
- 등록원부 입력시 다른 정보없이 원부번호만 생성가능하다.
- 입력사항
- 등록원부입력: 원부번호, 공급자, 인계일자, 작업자
- 출력사항
- 원부정보: 원부번호, 공급자, 인계일자, 작업자
- 기증자 관리
목적: 기증자관리와 기증도서데이터를 확인할 수 있다.
- 프로세스
- 기증자는 기증자ID를 부여받으며 기증자ID는 기증자구분(영문 2자리) +기증년도(숫자 4자리) + 기증자일련번호(숫자 5자리)로 구성된다.
- 기증자정보검색의 경우, 기증자ID, 기증자구분, 기증자명, 기증일자(범위)로 검색이 가능하다.
- 기증자 입력시 기증자ID, 기증자구분, 기증일자, 기증자명, 이메일, 주소, 전화번호를 입력할 수 있으며 기증자ID와 기증자명은 필수 입력사항이다.
- 기증자일련번호는 자동적으로 현재년도와 마지막 번호를 부여한다. (직접입력 불가)
- 기증자 정보를 수정할 경우 기증자 입력에서 입력 가능한 정보중 기증자ID와 기증자구분을 제외한 모든 정보가 수정가능하다. 이때 기증자명은 필수입력사항이다.
- 기증자료검색은 기증자ID를 이용해 검색이 가능하다.
- 기증자삭제는 검색을 통해 나온 기증자에 대해서만 삭제가 가능하다.
- 노트
기증자구분: GR 개인문고, OR 기관, PN 개인
- 입력사항
- 기증자ID, 기증자구분, 기증일자, 기증자명, 이메일, 주소, 전화번호
- 출력사항
- 기증자검색: 기증자id, 기증자명, 주소, 전화번호, 단행책수(기증도서수)
- 기증도서검색: 등록번호, 제목, 저자, 기증자id, 기증자명, 주소, 전화번호
- 희망자료 관리
목적: 비치희망자료를 관리할 수 있다.
- 프로세스
- 이용자가 신청한 비치희망자료의 상태는 이용자 홈페이지에서 확인할 수 있다.
- 비치희망자료 검색은 비치상태, 신청자, 신청일자(범위), 제목, 저자, 출판사, 출판연도로 검색이 가능하다.
- 비치희망자료를 입력할 때는 필수적으로 도서관 회원이어야한다.
- 신청자의 회원상태를 확인한 후 입력, 수정을 진행한다.
- 비치희망자료에는 회원번호, 신청일자, 제목, 저자, 출판연도, 출판사, 낱권ISBN, 가격, 비치상태를 입력할 수 있다.
- 비치희망자료 입력에서 회원번호는 이용자 검색을 통해 신청자 정보를 받아온다.
- 회원번호, 제목, 저자는 필수 입력사항이다.
- 비치희망자료 입력을 수행하면 자동적으로 비치상태는 신청중으로 입력된다.
- 수정은 비치상태만 가능하다.
- 비치상태를 통해 비치희망자료의 비치 과정을 확인할 수 있다.
- 비치희망자료 삭제는 검색을 통해 나온 대상에 대해서만 삭제가 가능하다. 삭제를 할 때에는 비치상태가 취소인 도서에 대해서만 삭제가 가능하다.
- 노트
- 비치상태: 신청중(이용자가 비치희망 신청한 상태), 처리중(도서관에서 도서를 비치하기 위한 작업중인 상태) 소장중(도서가 배가되어 도서관에 비치된 상태) 취소(도서관에서 비치가 어려운 경우)
- 입력사항
- 비치희망자료 신청: 회원번호, 신청일자, 신청자, 주소, 이메일, 휴대폰, 제목, 저자, 출판연도, 출판사, 낱권ISBN, 가격
- 비치희망자료 수정: 비치상태
- 출력사항
- 신청자, 신청일자, 제목, 저자, 출판연도, 출판사, 낱권ISBN, 가격, 비치상태
- 등록자료 관리
- 시스템 관리자 및 회원 관리
목적: Kolasys-Net 3.0을 운영, 이용하는 계정에 대해 관리한다.
- 프로세스
- 시스템 관리자가 여러 명일 경우, 관리자별로 계정을 생성해 사용함으로써 관리자 별 설정을 원활히 한다.
- 관리자는 이용자별로 접근 가능한 메뉴의 권한을 부여할 수 있다.
- 관리자가 이용자를 조회, 입력, 수정, 삭제 할 수 있다.
- 관리자, 이용자 검색시 성명, ID 및 등록일자로 이용자를 검색할 수 있다.
- 이용자 입력/수정 에서 메뉴접근권한을 쉽게 할수있도록 한다.
- 이용자 등급을 부여하여 사용자 ID 별 권한을 제어한다. (ex. 성인 만화등의 자료 접근 제한)
- 개인정보 처리내역(수정내역)을 조회할 수 있다.
- 정보 수정에서는 이용자의 회원구분(일반회원/자원봉사자/특별회원), 제적처리된 회원을 정상회원 으로 변경을 할 수 있다.
- 3년 이상 미사용으로 인한 휴면계정은 제적처리 시킨다. (회원 -> 비회원)
- 제적처리가 된 회원일 경우 대출 및 반납이 불가능하다. (홈페이지는 사용가능함)
- 탈퇴 요청한 이용자를 검색한 뒤 탈퇴처리를 시킨다. (개인정보도 삭제처리 됨)
- 이용자번호는 도서관부호(6자리) + 가입년도(2자리) + 일련번호(6자리)로 구성된다. (ex. 도서관 부호 : 123456 + 가입년도 : 2023 -> 대출자번호 : 12345623000001)
- 이용자 정보, 회원구분, 등록일자, 대출정지일, 미 대출 기간 등의 조건으로 이용자를 검색할 수 있다.
- 노트
- 등급 : 관리자 계정[통합 관리자 계정, 도서 관리자 계정], 이용자 계정[일반회원, 자원봉사자, 특별회원]
- 구분 : 관리자 계정 : 관리자 권한, 이용자 계정 : 일반 사용자 (관리 메뉴 권한 없음)
- 입력 사항
- 관리자 검색에 필요한 이름, ID, 등록일자
- 이용자 검색에 필요한 이름, ID, 등록일자
- 관리자, 이용자 입력에 필요한 모든 정보
- 회원가입시 필요한 이용자의 정보
- 출력 사항
- 관리자의 모든 정보
- 이용자의 모든 정보
- 대출반납 관리
목적: 이용자에게 소장자료를 대출 및 반납 처리에 대해 관리한다.
- 프로세스
- 대출, 반납, 예약을 하기 위해서는 로그인이 되어 있어야 한다.
- 대출을 신청할 경우 등록번호(ISBN), 제목, 저자명 등의 검색조건을 입력한뒤 조회된 도서의 대출 가능여부를 확인하고 대출이 가능한 자료를 선정한다.
- 대출, 예약시 이용자를 검색하여 대출, 예약 가능 여부를 확인한다.
- 반납시 반납처리 할 자료의 등록번호(ISBN)를 입력하면 해당 자료를 이용중인 이용자 정보를 우선 조회한다.
- 조회된 이용자 정보를 확인한 후, 반납처리 할 자료의 등록번호(ISBN)를 다시 한번 입력하면 반납처리가 완료된다.
- 대출, 반납, 예약을 신청 했을시, 대출, 반납, 예약일자를 확인후 선정한다.
- 대출, 반납, 예약할 자료를 입력하여 대출, 반납, 예약 처리를 수행한다.
- 자료를 대출할 수 있는 기간은 14일이다.
- 대출 가능한 책의 권수는 이용자의 등급별로 최대 3권, 5권, 5권이다.
- 도서가 정상 대출, 반납, 예약 되었는지 확인한다.
- 예약하려는 자료는 대출이 모두 된 책에 한해서만 가능하다.
- 예약시 예약 신청할 이용자를 조회한다.
- 예약하려는 자료의 등록번호(ISBN)를 입력후 예약처리를 수행한다.
- 대출 및 예약목록에서 자료의 등록번호(ISBN)로 예약된 이력을 확인한다.
- 예약한 책의 반납이 이루어질 경우 반납일로부터 3일 안에 예약자가 책을 대출하지 않으면 예약 취소가 된다.
- 대출 연장은 연체일, 반납일 등 수정이 필요한 자료를 선정하여 수정한다.
- 대출 연장을 하게되면 반납예정일이 7일 더 늘어난다.
- 대출기간에 따라 반납예정일이 부여되고 반납일이 지날시 연체가 된다.
- 도서 연체와 관련하여 연체 기간만큼 대출 정지일을 부여한다.
- 조회된 이용자 정보를 확인, 대출 및 예약 가능 권수를 확인 할 수 있다.
- 노트
- 대출자료 : 단행자료
- 이용 기준 : 14일
- 반납 연기일 : 7일
- 등급별 대출 가능 권수 : 3권/5권/5권
- 이용자 등급 : 일반회원/자원봉사자/특별회원
- 구분 : 단행자료
- 입력사항
- 대출, 반납, 예약하는 책의 등록번호(ISBN), 제목, 저자명
- 이용자 이름, 이용자 번호 (상세검색 이용시 모든 정보 검색 가능)
- 대출일, 반납일, 예약신청일
- 출력사항
- 대출일, 반납일, 예약일, 예약만기일
- 대출, 반납, 예약하는 책의 모든 정보
- 대출, 반납, 예약하는 이용자의 모든 정보
- 통계 관리
목적: 도서관의 대출/반납, 자료, 구입/기증, 이용자, 자산 등을 통계치로 나타내어 관리한다.
- 프로세스
- 구입자료에 대한 통계는 기간별 통계를 제공한다.
- 주제구분은 청구기호 앞 숫자 1자리로 구성되어 있다.
- 기증자료에 대한 통계는 기간별 통계를 제공한다.
- 기증자료에 대한 통계는 기증자ID, 기증자 성명을 통해 검색하여 알 수 있다.
- 업무, 자료, 등록, 별치, 보조등록으로 구성되어 있다.
- 도서 자료에는 등록구분(1. SE : 동양서, 2. WE : 서양서, 3. OE : 고서, 4. NE : 비도서자료, 5. KE : 국내서)이 존재한다.
- 구입/기증에 대한 통계는 자료 등록일, 등록번호(ISBN), 등록구분을 검색하여 알 수 있다.
- 자산에 대한 통계는 도서관에 소장된 모든 자료의 가격합산 통계를 제공한다.
- 자산에 대한 통계는 입수구분으로 구성되어 있다.
- 자산에 대한 통계는 자료구분일, 등록번호(ISBN)을 검색하여 알 수 있다.
- 대출/반납 통계는 대출자료, 반납자료, 예약대출자료, 희망자료, 최대대출, 대출횟수 통계를 제공한다.
- 대출/반납 통계는 대출일, 반납일을 검색하여 알 수 있다.
- 이용자 통계는 이용자와 관련된 데이터에 대한 통계를 제공한다.
- 이용자 통계는 대출자, 다독자, 연체자, 반납자, 기증자 통계가 있다.
- 통계종류에 따라 선택하여 검색 할 수 있다.
- 노트
- 통계치 : 대출/반납, 도서자료, 구입/기증, 이용자, 자산
- 세분화 : 기간별 통계구축 - 자료구분일[입력일, 주문일, 검수일, 등록일] / 자료구분 - 철학, 종교, 사회과학, 기술과학, 자연과학, 예술, 언어, 문학, 역사 / 등록구분 - 1. SE : 동양서, 2. WE : 서양서, 3. OE : 고서, 4. NE : 비도서자료, 5. KE : 국내서
- 구분 : 대출/반납 - 대출자료, 반납자료, 예약대출자료, 희망자료, 최대대출, 대출횟수 / 도서자료 - 등록번호(ISBN), 발행형태구분, 형식구분, 등록구분, 분류기호, TAG, 식별기호 / 구입/기증 - 자료구분, 자료구분일, 업무구분, 자료구분, 등록구분, 별치구분, 등록구분 / 이용자 - 대출자, 다독자, 연체자, 반납자, 기증자 / 자산 - 자료구분일, 등록번호, 자료실구분, 등록구분
- 입력사항
- 자료구분일, 이용자 ID
- 등록번호(ISBN), 자료 등록일, 등록구분
- 통계 종류 [대출/반납, 도서자료, 구입/기증, 이용자, 자산]
- 대출일, 반납일
- 출력사항
- 대출, 반납된 자료의 모든 정보
- 구입, 기증된 자료의 모든 정보
- 주제, 등록 구분된 자료의 모든 정보
- 자료 구분된 책들의 가격 및 합계
- 이용자와 관련된 모든 통계 정보
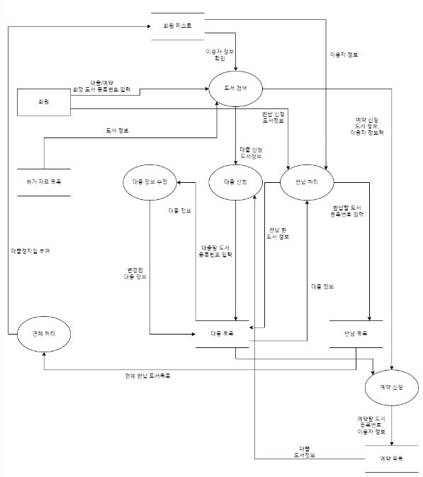
업무 흐름도
등록자료관리
![등록자료관리 - 업무 흐름도]()
원부대장 관리
![원부대장 관리 - 업무 흐름도]()
기증자 관리
![기증자 관리 - 업무 흐름도]()
희망자료 관리
![희망자료 관리 - 업무 흐름도]()
대출/반납/예약 관리
![대출/반납/예약 관리 - 업무 흐름도]()
회원/관리자 관리
![회원/관리자 관리 - 업무 흐름도]()
통계 시스템
![통계 시스템 - 업무 흐름도]()
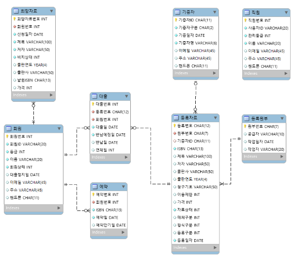
데이터 모델링

도메인 정의서
| 논리명 | 물리명 | Data Type | 설명 |
|---|---|---|---|
| 등록번호 | book_no | CHAR(12) | 도서별 등록번호 |
| ISBN | isbn | INT(13) | 책의 각 판과 변형에 할당된 고유한 숫자 식별자 |
| 제목 | title | VARCHAR(100) | 도서의 제목 정보 |
| 저자 | writer | VARCHAR(50) | 도서의 저자 정보 |
| 출판사 | publisher | VARCHAR(50) | 도서의 출판사 정보 |
| 출판연도 | publication_date | YEAR(4) | 도서의 출판 연도 |
| 청구기호 | call_number | VARCHAR(50) | 각 책마다 적용된 책들의 주소 |
| 이용제한 | user_limit | INT | 도서별 이용 제한 |
| 가격 | price | int | 도서의 가격 |
| 자료상태 | book_state | int | 도서 자료의 상태 |
| 매체구분 | media_class | int | 도서 매체별 구분 |
| 형식구분 | type_class | int | 도서 형식별 구분 |
| 등록구분 | registratio_class | int | 도서관별 등록 구분 |
| 등록일자 | registration_date | DATE | 도서의 등록 일자 |
| 원부번호 | ledger_no | CHAR(7) | 도서의 원부 번호 |
| 공급자 | supplier_name | VARCHAR(10) | 도서 원부 공급자 |
| 인계일자 | transfer_date | DATE | 도서 원부 인계 날짜 |
| 작업자 | worker_name | VARCHAR(20) | 도서 등록 작업자 이름 |
| 직원번호 | staff_no | INT | 직원별 부여 받는 번호 코드 |
| 관리등급 | grade | INT | 직원별 등급 |
| 이름 | name | VARCHAR(20) | 직원 이름 |
| 이메일 | VARCHAR(45) | 해당 직원의 이메일 | |
| 주소 | address | VARCHAR(45) | 해당 직원 자택 주소 |
| 핸드폰 | phone | CHAR(11) | 직원 핸드폰 번호 |
| 사용자ID | id | VARCHAR(20) | 직원 ID |
| 기증자구분 | class | CHAR(2) | 기증자 구분 코드 |
| 기증일자 | date | DATE | 기증한 날짜 |
| 대출일 | loan_date | DATE | 도서 대출일 |
| 반납예정일 | return_expect_date | DATE | 도서 반납 예정일 |
| 반납일 | return_date | DATE | 도서 반납일 |
| 연체일 | overdue_date | DATE | 도서 연체일 |
| 예약번호 | reservation_no | INT | 도서 예약 번호 |
| 예약일 | reservation_date | DATE | 도서 예약일 |
| 예약만기일 | reservation_expiration_date | DATE | 도서 예약 만기일 |
| 회원번호 | member_no | INT | 회원의 고유 번호 |
| 회원상태 | state | INT | 회원 상태 정보 |
| 대출정지일 | loan_suspension_date | DATE | 회원의 대출정지일 |
| 희망자료 번호 | desire_no | INT | 신청한 희망자료 고유 번호 |
| 신청일자 | application_date | DATE | 희망자료 신청일자 |
| 비치상태 | batch_status | INT | 희망자료의 상태 |
테이블 기술서
- registration(도서 목록)
| No | Attribute | Data Type | NN | Ky | Default | Description |
|---|---|---|---|---|---|---|
| 1 | book_no | CHAR(12) | O | PK | - | 도서별 등록 번호 |
| 2 | ledger_no | CHAR(7) | O | FK | - | 도서 원부 번호 |
| 3 | id | CHAR(11) | - | FK | - | 기증자 아이디 |
| 4 | isbn | INT(13) | O | - | - | 책의 각 판과 변형에 할당된 고유한 식별자 |
| 5 | title | VARCHAR(100) | - | - | - | 도서의 제목 정보 |
| 6 | writer | VARCHAR(50) | - | - | - | 도서의 저자 정보 |
| 7 | publisher | VARCHAR(20) | - | - | - | 도서의 출판사 정보 |
| 8 | publication_date | DATE | - | - | - | 도서의 출판 연도 |
| 9 | call_number | VARCHAR(20) | - | - | - | 각 책마다 적용된 책들의 위치 |
| 10 | user_limit | INT | - | - | - | 도서별 이용 제한 |
| 11 | price | INT | - | - | 0 | 도서의 가격 |
| 12 | book_state | INT | O | - | - | 도서 자료의 상태 |
| 13 | media_class | INT | - | - | - | 도서 매체별 구분 |
| 14 | type_class | INT | - | - | - | 도서 형식별 구분 |
| 15 | registration_class | INT | - | - | - | 도서관별 등록 구분 |
| 16 | registration_date | DATE | O | - | - | 도서의 등록 일자 |
- 비고
이용제한(user_limit): 1.CA 특수, 2.CD 열람제한, 3.CL 사서제한, 4.DL 제적자료, 5.GM 일반, 6.IZ 귀중자료, 7.RM 참고자료 - 자료상태(book_state): 1.등록자료(등록번호가 부여된 자료), 2.열람 인계 자료(도서 배가가 가능한 자료), 3. 배가 자료 4. 대출 상태 자료
매체구분(media_class): 1.KA 점자자료, 2.MS 필사자료(책자형), 3.PR 인쇄자료(책자형) 형식구분(type_class): 1.BK 문자자료, 2.CR 계속자료, 3.ER 전자자료, 4.MP 지도, 5.MU 녹음자료, 6.MX 복합자료, 7.RB 고서, 8.VM 시청작자료 - 등록구분(registration_class): 1.SE:동양서, 2.WE:서양서, 3.OE:고서, 4.NE:비도서자료, 5.KE: 국내서
- ledger(원부 목록)
| No | Attribute | Data Type | NN | Ky | Default | Description |
|---|---|---|---|---|---|---|
| 1 | ledger_no | CHAR(7) | O | PK | - | 도서 원부 번호 |
| 2 | supplier_name | VARCHAR(10) | - | - | - | 도서 원부 공급자 이름 |
| 3 | transfer_date | DATE | - | - | - | 도서 원부 인계 일자 |
| 4 | worker_name | VARCHAR(20) | - | - | - | 도서 원부 작업자 이름 |
- donor(기증자 목록)
| No | Attribute | Data Type | NN | Ky | Default | Description |
|---|---|---|---|---|---|---|
| 1 | id | CHAR(11) | O | PK | - | 기증자 아이디 |
| 2 | class | CHAR(2) | O | - | - | 기증자 구분 코드 |
| 3 | date | DATE | O | - | - | 기증한 일자 |
| 4 | donor_name | VARCHAR(6) | O | - | - | 기증자 이름 |
| 5 | donor_address | VARCHAR(45) | - | - | - | 기증자 주소 |
| 6 | donor_email | VARCHAR(45) | - | - | - | 기증자 이메일 |
| 7 | donor_phone | CHAR(11) | - | - | - | 기증자 연락처 |
- 비고
기증자 구분 코드(class): GR 개인문고, OR 기관, PN 개인
- desired_data(희망자료)
| No | Attribute | Data Type | NN | Ky | Default | Description |
|---|---|---|---|---|---|---|
| 1 | desire_no | INT | O | PK | - | 희망 신청한 자료 번호 |
| 2 | member_num | INT | O | FK | - | 회원의 고유 번호 |
| 3 | application_date | DATE | O | - | - | 희망자료 신청일자 |
| 4 | title | VARCHAR(100) | O | - | - | 희망자료 제목 |
| 5 | writer | VARCHAR(50) | O | - | - | 희망자료 저자 |
| 6 | year | YEAR(4) | - | - | - | 희망자료 출판년도 |
| 7 | publisher | VARCHAR(50) | - | - | - | 희망자료 출판사 |
| 8 | isbn | CHAR(13) | - | - | - | 희망자료 낱권 ISBN |
| 9 | price | INT | - | - | - | 희망자료 가격 |
| 10 | batch_status | INT | O | - | 0 | 희망자료 상태 |
- 비고
- 희망자료 상태(batch_status): 0.신청중, 1.처리중, 2.소장중, 3.취소
- staff(직원 관리)
| No | Attribute | Data Type | NN | Ky | Default | Description |
|---|---|---|---|---|---|---|
| 1 | staff_no | INT | O | PK | - | 직원별 부여 받는 번호 |
| 2 | id | VARCHAR(20) | O | - | - | 사용자 ID |
| 3 | grade | INT | O | - | - | 직원 계정 등급 |
| 4 | staff_name | VARCHAR(20) | O | - | - | 직원 이름 |
| 5 | staff_email | VARCHAR(45) | - | - | - | 직원 Email |
| 6 | staff_address | VARCHAR(45) | - | - | - | 직원 주소 |
| 7 | staff_phone | CHAR(11) | - | - | - | 직원 핸드폰 번호 |
- 비고
- 등급(grade): 1.통합 관리자 계정 2.도서 관리자 계정
- member(회원 목록)
| No | Attribute | Data Type | NN | Ky | Default | Description |
|---|---|---|---|---|---|---|
| 1 | member_no | O | PK | - | 회원의 고유 번호 | |
| 2 | id | VARCHAR(20) | O | UK | - | 회원 아이디 |
| 3 | grade | INT | O | - | - | 회원 등급 |
| 4 | member_name | VARCHAR(20) | O | - | - | 회원 이름 |
| 5 | state | CHAR(3) | O | - | - | 회원의 계정 상태 |
| 6 | loan_suspension_date | DATE | - | - | - | 회원의 대출 정지일 |
| 7 | member_email | VARCHAR(50) | - | - | - | 회원 이메일 |
| 8 | member_address | VARCHAR(45) | - | - | - | 회원 주소 |
| 9 | member_phone | CHAR(11) | - | - | - | 회원 연락처 |
- 비고
- 회원 등급(grade): 1. 일반회원, 2. 자원봉사자, 3. 특별회원
- 회원의 계정 상태(state): 1. 정상, 2. 대출정지, 3. 제적
- loan_return(대출/반납)
| No | Attribute | Data Type | NN | Ky | Default | Description |
|---|---|---|---|---|---|---|
| 1 | loan_no | INT | O | PK | - | 도서 대출 번호 |
| 2 | book_no | CHAR(12) | O | FK | - | 도서 등록 번호 |
| 3 | member_no | INT | O | FK | - | 회원의 고유 번호 |
| 4 | loan_date | DATE | O | - | - | 도서 대출일 |
| 5 | return_expect_date | DATE | O | - | - | 도서 반납예정일 |
| 6 | return_date | DATE | - | - | - | 도서 반납일 |
| 7 | overdue_date | DATE | - | - | - | 도서 연체일 |
- reservation(예약)
| No | Attribute | Data Type | NN | Ky | Default | Description |
|---|---|---|---|---|---|---|
| 1 | reservation_no | INT | O | PK | - | 예약 번호 |
| 2 | member_no | INT | O | FK | - | 회원의 고유번호 |
| 3 | isbn | CHAR(3) | O | - | - | 책의 각 판과 변형에 할당하는 식별자 |
| 4 | reservation_date | DATE | O | - | - | 도서 예약일 |
| 5 | reservation_expiration_date | DATE | - | - | - | 도서 예약 만기일 |
- 비고
- reservation_expiration_date: 도서 반납일로부터 3일 후
트랜잭션 모델링
등록자료 관리 시스템
구입도서 등록 (‘누구나 한 번은 집을 떠난다’ 도서 최초 등록. 등록시 필요한 정보만 등록함)
![구입도서 등록]()
기증도서 등록 (이해진이 기부한 ‘짝돌이와 짝순이’책도서 최초 등록. 등록시 필요한 정보만 등록함)
![기증도서 등록]()
구입도서 열람인계자료 등록 (‘누구나 한 번은 집을 떠난다’ 도서 열람 인계. 원래 작성되어 있는 값들 제외하고 비치될 수 있게 채워 넣음)
![구입도서 열람인계자료 등록]()
기증도서 열람인계자료 등록 (이해진이 기부한 ‘찍돌이와 짹순이’ 도서 열람 인계. 원래 작성되어 있는 값을 제외하고 비치될 수 있게 채워 넣음)
![기증도서 열람인계자료 등록]()
배가자료 등록 (위에서 등록한 책이 배가할 수 있을 정도로 값이 채워졌는지 확인 후 자료상태를 바꾸며 배가를 진행함)
![배가자료 등록]()
구입도서 등록자료 수정 (배가중인 ‘누구나 한 번은 집을 떠난다’ 책의 자료 상태와 이용 제한을 걸어 대출하지 못하게 바꿈)
![구입도서 등록자료 수정]()
기증도서 등록자료 수정 (배가중인 ‘찍돌이와 짹순이’ 책의 자료 상태와 이용 제한을 걸어 대출하지 못하게 바꿈)
![기증도서 등록자료 수정]()
삭제 전 수정 (도서 삭제를 위해선 도서 상태가 등록자료 상태여야 하기 때문에 위 책의 자료 상태를 등록자료 상태로 바꿈)
![삭제 전 수정]()
구입도서 등록자료 삭제 (해당 자료가 삭제 가능한지 확인하고, 삭제를 진행함)
![구입도서 등록자료 삭제]()
기증도서 등록자료 삭제 (해당 자료가 삭제 가능한지 확인하고, 삭제를 진행함)
![기증도서 등록자료 삭제]()
등록원부 관리 시스템
등록원부 등록 (2023년에 첫 책을 등록하기 전 해당 책의 원부번호와 책 공급자를 등록)
![등록원부 등록]()
등록원부 수정 (해당 원부번호의 책들이 인계되면 해당 인계 일자와 작업자를 기입)
![등록원부 수정]()
등록원부 삭제 (등록자료를 확인해 해당 원부번호를 가진 책이 없으면 삭제)
![등록원부 삭제]()
기증자 관리 시스템
기증자 등록 (‘남궁수용’ 기증자 등록)
![기증자 등록]()
기증자 수정 (‘남궁수용’ 기증자의 주소를 바꿈, 기증자명, 이메일, 핸드폰 번호도 변경 가능)
![기증자 수정]()
기증자 삭제 (‘남궁수용’ 기증자 삭제)
![기증자 삭제]()
회원 관리 시스템
가입할 회원의 가입 여부 확인 (‘김말똥’ 회원 존재 여부 확인)
![가입할 회원의 가입 여부 확인]()
회원 정보 등록 (‘김말똥’ 회원 등록)
![회원 정보 등록]()
회원정보 수정 (‘김말똥’ 회원의 이메일과 주소를 수정)
![회원정보 수정]()
회원정보 삭제 (‘김말똥’ 회원의 탈퇴 절차 진행)
![회원정보 삭제]()
전체 회원정보 조회 (전체 회원정보를 조회할 수 있다.)
![전체 회원정보 조회]()
사용자 관리 시스템
새로 등록할 사용자(직원, 관리자)의 가입 여부 확인 (‘김소똥’의 가입여부 확인)
![새로 등록할 사용자]()
사용자 정보 등록 (‘김소똥’ 사용자의 정보를 등록)
![사용자 정보 등록]()
사용자 정보 수정 (‘김소똥’ 회원의 이메일과 주소를 수정)
![사용자 정보 수정]()
사용자의 관리등급 수정을 위한 현재 사용자 검색 (관리등급이 관리자(1)인 사용자만 변경 가능)
![사용자의 관리 등급 수정을 위한 현재 사용자 검색]()
사용자 관리등급 수정 (‘김소똥’ 사용자의 관리등급을 일반사용자(2)에서 관리자(1)로 높임)
![사용자 관리등급 수정]()
직원정보 삭제 (‘김소똥’ 직원의 탈퇴 절차 진행)
![직원정보 삭제]()
전체 사용자 조회
![전체 사용자 조회]()
희망자료 관리 시스템
희망자료를 신청할 회원의 정보 검색 (‘최지은’ 회원이 있는지 검색)
![희망자료를 신청할 회원의 정보 검색]()
해당 회원이 이미 해당 희망자료를 신청했는지 여부 확인 (‘최지은’ 회원이 ‘주인님과 사기꾼’이라는 책을 희망 신청)
![해당 회원이 이미 해당 희망자료를 신청했는지 여부 확인]()
신청 내역이 없으면 해당 도서를 희망자료에 등록 (‘최지은’ 회원이 중복해 신청한 내역이 없으면 ‘주인님과 사기꾼’ 책을 등록)
![신청 내역이 없으면 해당 도서를 희망자료에 등록]()
희망자료 비치상태를 변경할 도서 검색 (‘코믹 메이플스토리’ 책 중 비치가되지 않은 도서 검색)
![희망자료 비치상태를 변경할 도서 검색]()
도서의 비치상태 변경 (낱권ISBN이 ‘9788926390191’인 도서의 비치상태를 모두 취소(3) 상태로 변경)
![도서의 비치상태 변경]()
비치상태가 취소(3) 상태인 도서 삭제를 위해 자료 검색
![비치상태가 취소 상태인 도서 삭제를 위해 자료 검색]()
해당 자료를 신청한 사람들에게 알림을 보내기 위해 해당 자료를 요청한 회원의 이름과 전화번호 검색 (‘코믹 메이플스토리’를 희망도서로 신청한 인물을 검색)
![해당 자료를 신청한 사람들에게 알람을 보내기 위해 해당 자료를 요청한 회원의 이름과 전화번호 검색]()
해당 희망자료도서 정보 삭제 (‘코믹 메이플스토리’ 취소 알람 후 삭제)
![해당 희망자료도서 정보 삭제]()
희망자료 검색 (‘최지은’이 신청한 희망자료를 검색)
![희망자료 검색]()
희망자료 조회( 전체 희망자료를 조회할 수 있다. )
![희망자료 조회]()
대출 시스템
회원이 도서 검색대에서 도서 조회 (‘참 예수 제자’ 책의 대출을 위해 제목에 ‘예수’가 들어가는 책 정보 조회)
![회원이 도서 검색대에서 도서 조회]()
대출을 원하는 회원의 회원카드로 정보조회 (회원번호 ‘1132750083’ 회원의 정보 조회)
![대출을 원하는 회원의 회원카드로 정보조회]()
해당 회원의 현 대출 도서 권수 조회 (‘이상현’ 회원의 대출 현황 조회)
![해당 회원의 현 대출 도서 권수 조회]()
해당 회원의 현 예약 도서 권수 조회 (‘이상현’ 회원의 예약 현황 조회)
![해당 회원의 현 예약 도서 권수 조회]()
회원이 대출 가능한 상태면(대출+예약한 도서의 합 <= 5), 회원이 대출하고자 하는 도서 정보 조회 (등록번호가 ‘KE00000000938’인 책 정보 조회)
![회원이 대출 가능한 상태면, 회원이 대출하고자 하는 도서 정보 조회]()
해당 도서 대출 (대출 테이블에 해당 도서 대출 정보 입력, 등록자료에서 자료상태 대출중(4)으로 변경)
![해당 도서 대출]()
회원의 총 대출 내역 조회 (‘김현준’ 회원이 지금까지 대출한 책 조회)
![회원의 총 대출 내역 조회]()
회원의 대출중인 도서 조회 (‘윤준서’ 회원이 대출중인 도서를 조회)
![회원의 대출중인 도서 조회]()
대출 조회( 전체 대출정보를 조회할 수 있다. )
![대출 조회]()
대출 기간 연장 시스템
회원이 대출 연장하고자 하는 대출 기간 연장 가능 여부 조회 (‘이상현’ 회원이 대출한 ‘참 예수 제자’ 책의 연장 가능 여부 확인)
![회원이 대출 연장하고자 하는 대출 기간 연장 가능 여부 조회]()
연장가능이면, 반납일로부터 7일 연장 (‘참 예수 제자’ 책의 반납 예정일에 7일을 더해 수정)
![연장 가능이면, 반납일로부터 7일 연장]()
반납 시스템
반납할 회원과 도서 검색 (‘이상현’ 회원이 빌린 ‘참 예수 제자’ 책을 검색)
![반납할 회원과 도서 검색]()
대출 테이블에 반납일, 연체일 등록 (연체일은 반납예정일-반납일이 0보다 크면 등록 아니면 0)
![대출 테이블에 반납일, 연체일 등록]()
연체된 회원이면, 회원 정보에 연체일만큼 대출 정지일 부여 (연체하지 않았기 때문에 부여하지 않음)
![연체된 회원이면, 회원 정보에 연체일만큼 대출 정지일 부여]()
반납된 도서의 자료상태를 열람인계자료로 변환
![반납된 도서의 자료상태를 열람인계자료로 변환]()
예약 목록에서 도서 예약 정보 확인 (‘참 예수 제자’ 예약 정보 확인)
![예약 목록에서 도서 예약 정보 확인]()
예약된 도서가 없으면 배가상태(대출가능)로 변환 (현재 예약한 내역이 있으므로 변환하지 않음)
![예약된 도서가 없으면 배가상태로 변환]()
예약 시스템
회원이 도서 검색대에서 도서 조회 (제목에 ‘예수’가 들어가는 책 정보 조회)
![회원이 도서 검색대에서 도서 조회]()
예약을 원하는 회원의 회원카드로 정보조회 (회원번호 ‘1132750005’ 회원의 정보 조회)
![예약을 원하는 회원의 회원카드로 정보조회]()
해당 회원이 이미 해당 도서를 예약했는지 여부 확인 (‘안지연’ 회원이 ‘주인님과 사기꾼’이라는 책을 예약 신청)
![해당 회원이 이미 해당 도서를 예약했는지 여부 확인]()
해당 회원의 현 대출 도서 권수 조회 (‘이상현’ 회원의 대출 현황 조회)
![해당 회원의 현 대출 도서 권수 조회]()
해당 회원의 현 예약 도서 권수 조회 (‘이상현’ 회원의 대출 현황 조회)
![해당 회원의 현 예약 도서 권수 조회]()
회원이 예약한 상태면(대출+예약한 도서의 합 <= 5), 예약 정보를 예약 테이블에 등록
![회원이 예약한 상태면 예약 정보를 예약 테이블에 등록]()
예약된 책이 반납되면, 해당 도서를 예약한 회원 중 제일 첫 번째 회원 검색 (알림 보내기용)
![예약된 책이 반납되면, 해당 도서를 예약한 회원 중 제일 첫 번째 회원 검색]()
예약 만기일 설정 (반납된 날로부터 3일 후로 예약 만기일 설정)
![예약 만기일 설정]()
예약 도서 대출을 하러온 회원의 예약 내역 확인 (‘안지연’ 회원의 예약 내역 확인)
![예약 도서 대출을 하러 온 회원의 예약 내역 확인]()
대출을 원하는 도서의 등록번호 확인 (‘참 예수 제자’ 등록번호 확인)
![대출을 원하는 도서의 등록번호 확인]()
대출 정보 등록 (‘안지연’ 회원이 ‘참 예수 제자’ 도서를 대출 )
![대출 정보 등록]()
등록자료에서 대출된 도서 자료상태 변환 (‘참 예수 제자’ 자료 상태를 대출로 변환)
![등록자료에서 대출된 도서 자료상태 변환]()
예약 목록에서 대출된 도서 정보 삭제 (‘안지연’ 회원이 예약했던 ‘참 예수 제자’ 예약 정보 삭제)
![예약 목록에서 대출된 도서 정보 삭제]()
회원이 예약 취소를 원할 시, 취소하고자 하는 예약 도서 정보 조회 (‘김민석’이 ‘끌리고 쏠리고 들끓다’ 책의 예약을 검색)
![회원이 예약 취소를 원할 시, 취소하고자 하는 예약 도서 정보 조회]()
예약 정보 삭제 (‘김민석’이 ‘끌리고 쏠리고 들끓다’ 책의 예약을 삭제)
![예약 정보 삭제]()
예약만기일이 지난 예약 일괄 조회( 2023-06-26일 기준 예약 만기일 지난 예약 조회 )
![예약만기일이 지난 예약 일괄 조회]()
예약만기일이 지난 예약 일괄 삭제 (2023-06-26일 기준 예약 만기일 지난 예약 삭제)
![예약만기일이 지난 예약 일괄 삭제]()
예약 조회 (예약 정보를 일괄 조회할 수 있다.)
![예약 조회]()
상세 검색
기증자 구분 검색 (기증자 구분이 ‘개인문고인’ 기증자 정보 검색)
![기증자 구분 검색]()
기증자ID 검색 (기증자 ID가 ‘GR202000001’인 기증자 정보 검색)
![기증자 ID 검색]()
기증자 이름 검색 (이름이 ‘이혜진’인 기증자 정보 검색)
![기증자 이름 검색]()
기증자 일자 검색 (2020-04-01~2020-05-01에 기증한 인원들의 정보 검색)
![기증자 일자 검색]()
대출 등록번호 검색 (책 등록번호가 ‘KE0000002018’인 책의 대출 정보 확인)
![대출 등록번호 검색]()
대출 회원번호 검색 (‘허지혜’가 대출한 책과 대출 정보 확인)
![대출 회원번호 검색]()
대출일 별 대출 도서 검색 (2023-04-08에 대출한 책을 검색)
![대출일 별 대출 도서 검색]()
등록자료 자료상태 검색 (자료 상태가 ‘배가’인 책 정보 검색)
![등록자료 자료상태 검색]()
등록자료 입수구분 검색 (기증된 책 정보 검색)
![등록자료 입수구분 검색]()
등록자료 등록년도 검색 (등록 년도가 2019년인 책의 정보 검색)
![등록자료 등록년도 검색]()
등록자료 원부년도 검색 (원부 년도가 2020년인 책 정보 검색)
![등록자료 원부년도 검색]()
등록자료 원부번호 검색 (원부번호가 ‘2019-04’ 인 책 정보 확인)
![등록자료 원부번호 검색]()
등록자료 등록번호 범위 검색 (등록번호가 826~832인 도서 정보 확인)
![등록자료 등록번호 범위 검색]()
등록자료 저자, 출판사 검색 (저자 중에 ‘홍순옥’이 들어가 있고, 출판사가 ‘웅진’이 들어간 도서 정보 검색)
![등록자료 저자, 출판사 검색]()
등록자료 주제별 검색 (청구기호가 ‘철학’인 책 정보 검색)
![등록자료 주제별 검색]()
등록원부 날짜 내 공급자 검색 (작업일자가 2019년이고, 공급자가 ‘조정남’인 원부번호 검색)
![등록원부 날짜 내 공급자 검색]()
등록원부 날짜 내 작업자 검색 (작업일자가 2019년이고, 작업자가 ‘손창희’인 원부번호 검색)
![등록원부 날짜 내 작업자 검색]()
등록원부 날짜 내 원부번호 검색 (작업일자가 2019년이고, 원부번호가 ‘2019-04’인 원부 정보 검색)
![등록원부 날짜 내 원부번호 검색]()
직원ID 검색 (직원 ID가 ‘bfM7a6wKKSb3JDI’인 직원 정보 검색)
![직원ID 검색]()
직원 이름 검색 (직원 이름이 ‘봉창하’인 직원 정보 검색)
![직원 이름 검색]()
직원 관리등급 검색 (직원 관리 등급이 ‘도서 관리자’인 직원 정보 검색)
![직원 관리등급 검색]()
예약 회원번호 검색 (회원 번호가 ‘1132750007’인 예약 정보 검색)
![예약 회원번호 검색]()
예약 예약일 검색 (예약일이 2023년 6월 4일인 예약 정보 검색)
![예약 예약일 검색]()
예약 도서ISBN 검색 (예약 도서의 ISBN이 ‘9788995996546’인 도서 정보 검색)
![예약 도서ISBN 검색]()
예약 예약만기일 검색 (예약 만기일이 2023년 6월 12일인 예약 정보 검색)
![예약 예약만기일 검색]()
회원 ID, 이름, 회원번호 검색 (‘구예진을 이름, ID, 회원번호로 검색)
![회원 ID, 이름, 회원번호 검색]()
회원 회원상태 검색 (회원 상태가 ‘일반’인 회원 검색)
![회원 회원상태 검색]()
회원 등급 검색 (회원의 등급이 ‘자원봉사자’인 회원 검색)
![회원 등급 검색]()
회원 대출정지일 검색 (연체한 적이 있는 회원 검색)
![회원 대출정지일 검색]()
회원 누적 연체 횟수 검색 (연체 횟수가 5번 미만인 회원 정보를 검색)
![회원 누적 연체 횟수 검색]()
회원 누적 연체일 검색 (누적 연체일이 10일 미만인 회원 정보를 검색)
![회원 누적 연체일 검색]()
희망자료 회원번호 검색 (‘이정용’ 회원이 신청한 희망자료 정보 검색)
![희망자료 회원번호 검색]()
희망자료 제목별 검색 (희망자료 제목이 ‘장영실인’ 희망자료 정보 검색)
![희망자료 제목별 검색]()
희망자료 신청기간별 검색 (희망자료 신청기간이 2023-05-01~2023-05-31인 희망자료 정보 검색)
![희망자료 신청기간별 검색]()
희망자료 비치상태 검색 (희망자료 상태가 ‘신청중’인 희망자료 정보 검색)
![희망자료 비치상태 검색]()
통계
기간별 연체일 통계 (반납일 2023-05-01부터 2023-05-31까지 2023년 5월달 회원별 연체일 합)
![기간별 연체일 통계]()
희망자료 신청 횟수 통계
![희망자료 신청 횟수 통계]()
회원별 희망도서 신청 횟수 통계
![회원별 희망도서 신청 횟수 통계]()
월별 다독자 통계 (반납일 2023-05-01부터 2023-05-31까지 2023년 5월달 대출 횟수)
![월별 다독자 통계]()
입수구분별 통계
![입수구분별 통계]()
기간 내 주제별 도서 대출 횟수 통계 (대출일 2023-05-01부터 2023-05-31까지 2023년 5월달 도서 대출 횟수 검색 )
![기간 내 주제별 도서 대출 횟수 통계]()
기간 내 총자산 통계 (등록일자 2020-01-01부터 2020-01-31까지 2020년 1월달 도서관의 총자산)
![기간 내 총자산 통계]()
기간 내 주제별 자산 통계 (등록일자 2020-01-01부터 2020-01-31까지 2020년 1월달 도서관의 자산)
![기간 내 주제별 자산 통계]()
주제별 도서 통계
![주제별 도서 통계]()
주제별 월별 반납 통계 (반납일 2023-05-01부터 2023-05-31까지 2023년 5월달 반납)
![주제별 월별 반납 통계]()
기간별 도서 대출 이력 (대출일 2023-05-01부터 2023-05-31까지 2023년 5월달 도서관의 총자산)
![기간별 도서 대출 이력]()
전체 도서 대출 이력
![전체 도서 대출 이력]()
주제별 도서관 대출 이력
![주제별 도서관 대출 이력]()
출판 연도별 도서 통계
![출판 연도별 도서 통계]()
출판사 별 도서 통계
![출판사 별 도서 통계]()
회원별 대출 중인 도서 수 통계
![회원별 대출 중인 도서 수 통계]()
회원별 전체 대출했던 도서 수 통계
![회원별 전체 대출했던 도서 수 통계]()
프로젝트 후기
문제해결과정에서 무엇을 배우고 느꼈는가? 학교에서 과제로 여러 프로젝트를 진행해 보았지만 이렇게 처음 자료조사부터 진지하게 많은 사람이 한 프로젝트는 두번째인데 무언가를 진행할 때 업무 분석이 얼마나 중요한지를 다시 느낄 수 있었다. 특히 단위 단위업무 기술서와 업무 흐름도는 초기 업무 진행을 어떻게 해야하는지 알 수 있게 해주었다. SQL의 경우 항상 간단한 SQL문만 구현하거나 JPA와 같은 API를 활용해 SQL문을 사용하다가 이렇게 본격적으로 SQL문을 보다보니 SQL이 상당히 여러 일을 할 수 있다는 것을 확인할 수 있었고, DB를 잘 작성하면 SQL의 Join만으로도 많은 결과를 도출해 낼 수 있다는 교수님의 말씀을 이해할 수 있게 되었다.
어떤 과정을 통해 학습했는가? 과거 캡스톤 디자인을 하면서 쌓은 진행 경험이 팀장으로써 팀을 이끄는데 도움이 되었다. 업무 흐름도와 모델링을 할 때 대부분은 학교에서 배웠던 수업자료와 실습 자료를 확인했고, 더 막히는 것이 있으면 구글에서 검색을 통해 지식을 늘렸다.
이외에 애매한 부분이 있거나 모르는 부분이 있으면 교수님에게 질문을 통해 해결하고, 발표때 들었던 여러 피드백들도 최종 보고서를 만들고 지식의 깊이를 늘리는데 도움이 되었다.학습한 것을 어디에 적용해 볼 수 있는가? 현재 개인 프로젝트로 계획하고 있는 사이트 제작시 여러 필요 데이터와 그에 맞춰 만들어봤던 논리적 모델링을 확인해 작성하면 더 깔끔하고, 테이블에 필요한 것만 들어가 있는 커뮤니티 사이트를 제작할 수 있을 것 같다. DB는 현재 동작하는 앱, 웹들에 다 사용되기 때문에 예상치 못한곳에서 혹은 개발을 진행하면서 훌륭하게 사용할 수 있을 것 같다.
나와 그룹 구성원들 각각의 역할과 기여 정도는 어떠했는가? 팀장으로써 회의가 원할하게 진행되도록 하고, 기간안에 완료될 수 있도록 각 역할의 팀에게 기간을 정해 혹시 시간이 없어서 문제가 발생하는 일이 없도록 신경씀. 또한 자료조사, 모델링, 발표 팀의 팀 회의에도 들어가서 회의를 진행하고, 계속 의견을 개시하면서 문제없이 회의가 마무리되고, 각 역할을 문제없이 수행할 수 있도록 도왔다.
업무관련 수집문서 리스트
| No | 문서명 | 관련 업무 |
|---|---|---|
| 1 | 등록자료관리 List | 도서목록 |
| 2 | 목록완성 List | 도서목록 |
| 3 | 배치일자기록 List | 도서목록 |
| 4 | 배치자료관리 List | 도서목록 |
| 5 | 원부대장관리 List | 등록원부 정보 |
| 6 | KOLASYS-NET 3.0 사용자지침서1.2 | 도서관 도서 업무 전반 |
입력데이터 자료
- 기증자 Table
INSERT INTO `기증자` VALUES
('GR202000001','GR','2020-04-17','이혜진','jeongsig99@example.net','서울특별시 관악구 서초중앙가','01089931901'),
('GR202000018','GR','2020-04-19','김정훈','isiu@example.net','서울특별시 종로구 개포80가','01038265384'),
('GR202000019','GR','2020-04-19','이지우','jiminha@example.org','서울특별시 광진구 백제고분526가','01034544934'),
('OR202000004','OR','2020-04-17','이승민','egweon@example.org','서울특별시 동작구 삼성거리','01068567668'),
('OR202000006','OR','2020-04-17','이광수','lbae@example.com','서울특별시 도봉구 양재천길','01098387985'),
('OR202000017','OR','2020-02-28','이경희','pgim@example.net','서울특별시 강남구 테헤란137가','01030057302'),
('PN201900002','PN','2019-08-16','김수민','jangjiu@example.net','서울특별시 서초구 서초대0가','01086875870'),
('PN201900003','PN','2019-08-20','김정수','ahan@example.net','서울특별시 금천구 가락거리','01068736874');
- 대출 Table
INSERT INTO `대출` VALUES
(1,'KE0000002018',1132750184,'2023-01-03','2023-01-17','2023-01-15',0),
(2,'KE0000004669',1132750039,'2023-01-03','2023-01-17','2023-01-10',0),
(3,'OE0000004811',1132750191,'2023-01-03','2023-01-17','2023-01-15',0),
(4,'KE0000001244',1132750129,'2023-01-03','2023-01-17','2023-01-16',0),
(5,'KE0000001695',1132750132,'2023-01-03','2023-01-17','2023-01-09',0),
(6,'KE0000001062',1132750182,'2023-01-03','2023-01-24','2023-01-23',0);
- 등록원부 Table
INSERT INTO `등록원부` VALUES
('2019-01','조정남','2019-08-20','손창희'),
('2019-02','탁광식','2019-08-21','봉창하'),
('2019-03','추지훈','2019-08-22','심원정'),
('2019-04','심병호','2019-08-23','권승수'),
('2019-05','고승철','2019-08-24','권승수'),
('2019-06','한준기','2019-08-27','손창희'),
('2019-07','한준기','2019-08-28','남궁서현'),
('2019-08','조정남','2019-08-30','남궁서현');
- 등록자료 Table
INSERT INTO `등록자료` VALUES
('KE0000000826','2019-01',NULL,'9791158882679','누구나 한 번은 집을 떠난다 : 카이스트 물리학도에서 출가의 길을 택하다 ','지은이: 도연','판미동',2017,'818-도64ㄴ',5,13000,3,3,1,5,'2019-08-16'),
('KE0000000828','2019-01',NULL,'9788992241199','종교의 안부를 묻는다 : 31가지 주제로 읽는 우리 시대 종교의 속살 ','백찬홍 지음','평사리 Common Life Books',2010,'215.8-백82ㅈ',5,13800,3,3,1,5,'2019-08-16'),
('KE0000000832','2019-01',NULL,'8939800168','현대설교학개론 ','계지영 지음','한국장로교출판사',2001,'235.1-계78ㅎ',5,7000,3,3,1,5,'2019-08-16'),
('KE0000000838','2019-01',NULL,'8981142823','충청도 선비들의 믿음 이야기 ','이덕주 [지음]','진흥',2006,'230.911-이24ㅊ',5,12000,3,3,1,5,'2019-08-16'),
('KE0000000851','2019-01',NULL,'9788997760503','아빠, 우린 왜 이렇게 행복하지? : 뾰족한 아픔에서 시작된 반짝이는 이야기 : 김병년 목사의 일상다반사 ','김병년 지음','포이에마',2013,'230.4-김44ㅇ',5,12000,3,3,1,5,'2019-08-16'),
('KE0000000853','2019-01',NULL,'8982220739','기독교 명저 산책 ','김종회 저','경희대학교출판국',2003,'230.26-김75ㄱ',5,15000,3,3,1,5,'2019-08-16'),
('KE0000000858','2019-01',NULL,'9788960970588','십자가 = Cross ','김응국','규장',2008,'232.84-김67ㅅ',5,10000,3,3,1,5,'2019-08-16');
- 예약 Table
INSERT INTO `예약` VALUES
(1,1132750007,'9788973692729','2023-06-04','2023-06-10'),
(2,1132750045,'9788995996546','2023-06-04','2023-06-11'),
(3,1132750226,'9788952961730','2023-06-04','2023-06-12'),
(4,1132750187,'9788996036869','2023-06-04',NULL),
(5,1132750190,'9788908044128','2023-06-04','2023-06-09'),
(6,1132750005,'9791195322183','2023-06-04','2023-06-11'),
(7,1132750003,'8970463690','2023-06-04',NULL),
(8,1132750159,'9788996036869','2023-06-05',NULL),
(9,1132750238,'8970463690','2023-06-05',NULL),
(10,1132750248,'8953102804','2023-06-05',NULL);
- 직원 Table
INSERT INTO `직원` VALUES
(1,'bfM7a6wkKSb3JDI',1,'남대원','bfM7a6wkKSb3JDI@gmail.com','서울특별시 은평구 백련산로 87(응암동)','01021354632'),
(2,'0qhraDWOv9o6EgZ',2,'손창희','0qhraDWOv9o6EgZ@gmail.com','서울특별시 은평구 불광로 20(대조동)','01027585868'),
(3,'e8Q48x1I7LoLxPu',2,'봉창하','e8Q48x1I7LoLxPu@gmail.com','서울특별시 은평구 은평터널로3길 9-16(수색동)','01098570854'),
(4,'pvCAa6urRaZSRFb',2,'심원정','pvCAa6urRaZSRFb@gmail.com','경기도 고양시 덕양구 대서문길 311-35(북한동)','01080098758'),
(5,'pWejn8FzzBIRoMx',2,'남궁영우','pWejn8FzzBIRoMx@gmail.com','서울특별시 서대문구 불광천길 106(북가좌동)','01052253857'),
(6,'TamlddSKI13PHUu',2,'권승수','TamlddSKI13PHUu@gmail.com','서울특별시 은평구 은평로20가길 18-3(응암동)','01023950353'),
(7,'2wPBJFS3v2v1baQ',2,'남궁서현','2wPBJFS3v2v1baQ@gmail.com','서울특별시 은평구 응암로28길 40(응암동)','01056010419');
- 회원 Table
INSERT INTO `회원` VALUES
(1132750001,'oyun',1,'구예진',1,NULL,'oyun@example.com','서울특별시 종로구 영동대6길','01013876140'),(1132750002,'mi',3,'최지은',1,NULL,'mi@example.net','서울특별시 성동구 압구정142로','01056456566'),
(1132750003,'caeweoncoe',3,'최서윤',1,NULL,'caeweoncoe@example.net','서울특별시 노원구 언주길','01007257074'),
(1132750004,'ecoe',1,'박명자',1,NULL,'ecoe@example.net','서울특별시 북구 도산대거리','01040757740'),
(1132750005,'minjaeryu',3,'안지연',1,NULL,'minjaeryu@example.org','서울특별시 은평구 영동대로','01039868400'),
(1132750006,'jiweon96',1,'김현준',1,NULL,'jiweon96@example.org','서울특별시 관악구 백제고분가','01028436286'),
(1132750007,'zgim',2,'노종수',2,'2023-04-01','zgim@example.com','서울특별시 중구 백제고분가','01031925320'),
(1132750008,'ihyeonjeong',1,'김윤서',1,NULL,'ihyeonjeong@example.org','서울특별시 성동구 서초대95로','01060646065'),
(1132750009,'bagyeongil',1,'전영진',1,'2023-03-27','bagyeongil@example.net','서울특별시 성북구 서초중앙2로','01090339034'),
(1132750010,'coesangho',3,'안정수',1,'2023-05-06','coesangho@example.net','서울특별시 영등포구 압구정4거리','01035075352');
- 희망자료 Table
INSERT INTO `희망자료` VALUES
(1,1132750250,'2023-05-20','(코믹)메이플스토리 = Maple Story. 1 - 35 ','송도수 글 ; 김신중 [등]그림',0,2005,'서울문화사','895329438X',246500),
(2,1132750250,'2023-05-20','(코믹 메이플스토리) 오프라인 RPG. 37 ','송도수 글 ; 서정은 그림',0,2016,'서울문화사','9788926390191',8500),
(3,1132750166,'2023-05-20','(코믹 메이플스토리) 오프라인 RPG. 37 ','송도수 글 ; 서정은 그림',0,2016,'서울문화사','9788926390191',8500),
(4,1132750250,'2023-05-20','(코믹)메이플스토리 = Maple Story : 오프라인 RPG. 38 ','송도수 글 ; 서정은 그림',0,2018,'서울문화사','9788926390207',8500),
(5,1132750250,'2023-05-20','(코믹)메이플스토리 40. 40~ 오프라인 RPG ','송도수 그림 ; 서정은 그림',0,2010,'서울문화사','9788926390221',8900),
(6,1132750250,'2023-05-20','(코믹)메이플스토리 43 = Maple story : 오프라인 RPG. 43 ','송도수 글 ; 서정은 그림',0,2010,'서울문화사','9788926391082',8900)






































































































































